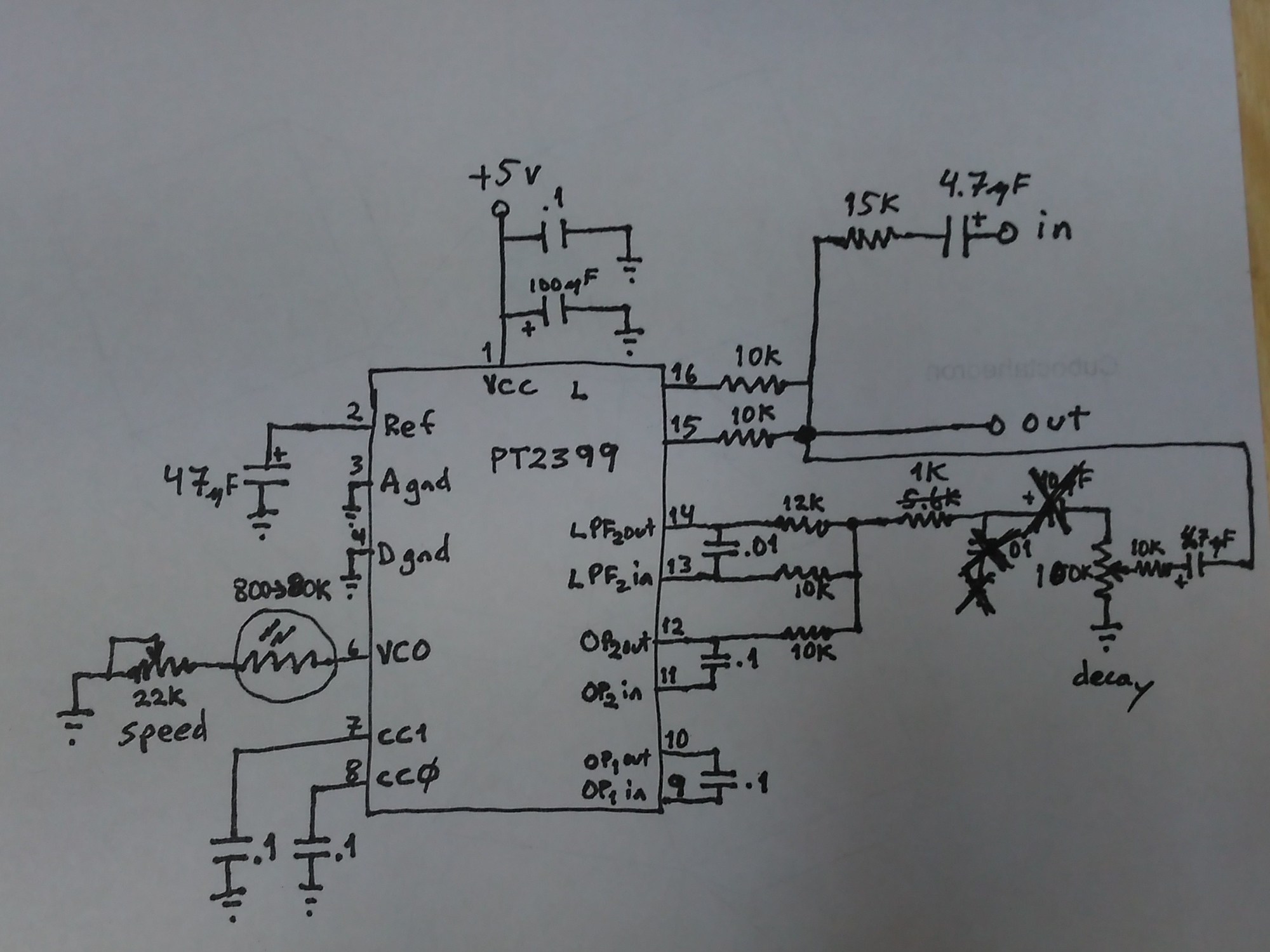
This we week we were super-psyched to welcome Mitch Altam to our studio! Mitch is over from San Francisco throughout April as Hacker in residence at Madlab. We’ve been experimenting with the PT2399 for a while now, playing with the schematic and so far it had been pretty temporamental. Mitch brought his expertise and synth know-how and helped us with a new schematic that works. In the session we used different sonic inputs including the arduino capacitive synth sketch and the LDRs to create an ace pitch bend effect. The pots enable you to vary the decay time and the chip has such a variety of effects and pitches that make it really playable. It sounds excellent, we are now going to explore combining our different circuits with this delay effect.
For more info on Mitch visit Cornfield Electronics site (home of TV-B-GONE) or his Hacker space Noise Bridge .
