Noise Orchestra were selected as artists on the first cohort for the Arts+Tech creative practice accelerator; led by Madlab one of three national pilots, set up by Arts Council England and Innovate UK, to support people working at the intersection of arts and technology.
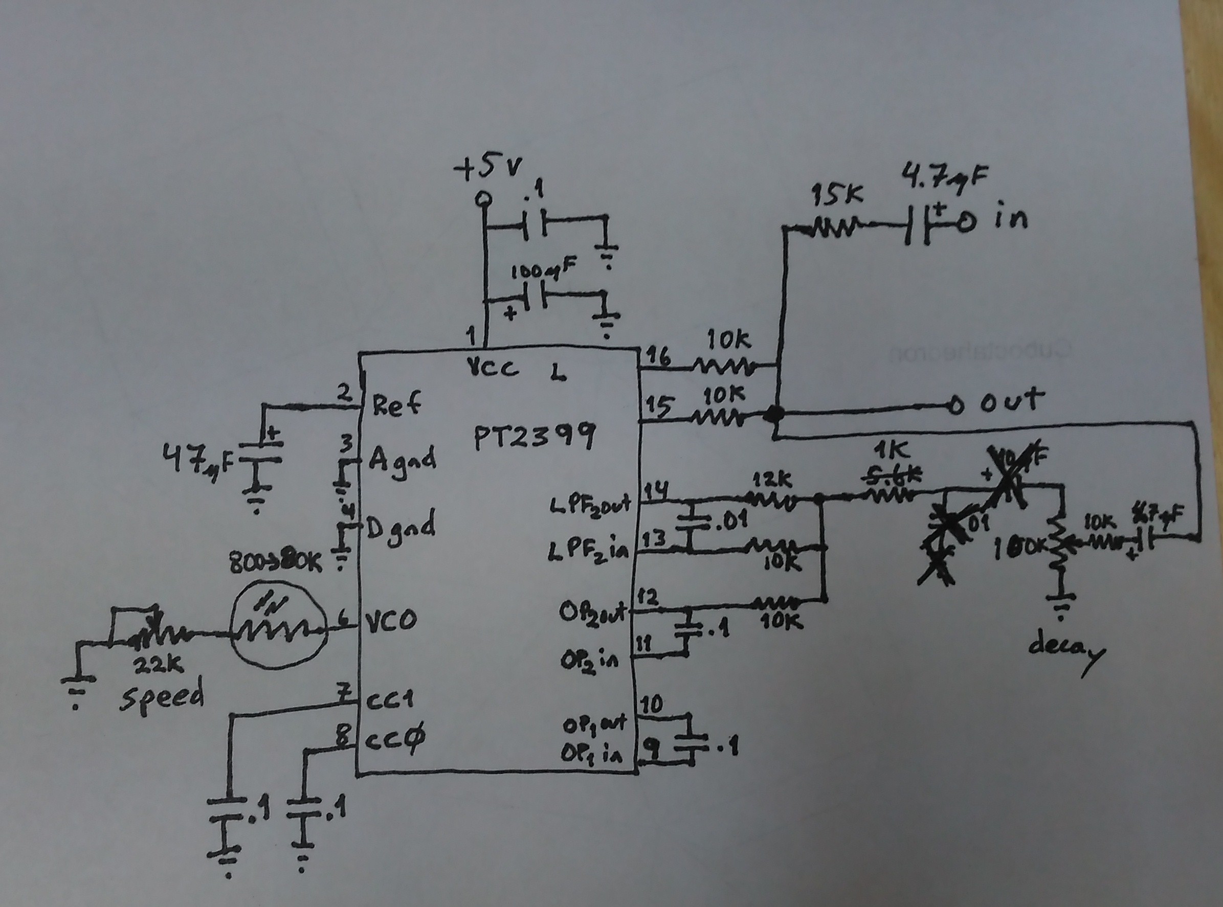
On the programme we developed a series of prototype Noise Machines that translate light into sound and gained support and advice from a whole host of professionals from the Arts + Tech industry. During the Accelerator we visited CTM: Festival of Experimental Music and Art in Berlin to research and meet individuals from Europeam sound art networks, spent time in the new makerspace at Madlab working on the design of the modules using the laser cutter, we had some fantastic mentors such as Marc D’usselier and Mitch Altman who helped us with the electronics and PCB boards and lots of business and funding support from Madlab.
You can see the story of the accelerator on our blog here, and below are some images and links from key points in the project.
Live Testing: Islington Mill Installation + The Whitworth ‘we are one’
https://noiseorchestra.org/2016/05/24/etched-coppersteel-experiment/
https://noiseorchestra.org/2016/05/24/making-pcb-boards/
https://noiseorchestra.org/2016/05/14/truncated-tetrahedron/
https://noiseorchestra.org/2016/04/09/delay-chip-with-mitch-altman/
https://noiseorchestra.org/2016/02/27/gated-and-feedback-oscillators/
https://noiseorchestra.org/2016/03/15/crystal-paper-model-experiment-contact-mic/
https://noiseorchestra.org/2016/02/24/ctm-festival-berlin-research-trip/










